榴莲视频APP成人中心
XIEN ELECTRIC
-
公司榴莲视频APP成人
-
行业榴莲视频APP成人
无锡榴莲视频APP下载IOS电气有限公司
地 址: 中国江苏省无锡市锡山区东港镇勤工路8号邮 编: 214199
销售电话: 0510-88762886 / 0510-88761458
联系电话: 0510-88763068
传 真: 0510-88765273
周 经 理: 139-5156-3682
E-mial:sales@czkbywjx.net / E-mial:wxshn1985@163.com
东部地区 :
联系电话:138-0618-4930 (周经理)
451616011@qq.com
中部地区 :
联系电话:139-1526-2918 (曹军)
2093398510@qq.com
西部地区(成都)办事处
联系电话:13921129051(无锡)
18908235950(成都) 028-61379728
联系人:张经理(marker1974@163.com)
如何划分直流榴莲视频色版的正负ji
2020-08-11
直流榴莲视频色版的工作原理
与交流榴莲视频色版类似,直流榴莲视频色版将一个DC电压转换成另一个或多个DC电压。通过高频斩波、榴莲视频色版隔离和高频整流,从一个DC电压到与其成比例的另一个或多个DC电压的转换可用于电力传输和电压检测站。直流榴莲视频色版电路结构简单,易于实现软开关。采用开环控制,恒定占空比工作,起到转换隔离作用,转换效率高。
与交流输电相比,高压直流输电具有传输功率大、损耗小、传输距离远和稳定性好的特点,具有广阔的应用前景。目前,高压直流输电系统的整流侧和逆变侧仍需用工频榴莲视频色版接入交流电网,其体积庞大、质量庞大。作为交流传动的辅助功能,DC传动不直接用于电气设备。为了适应高压直流输电在未来电气设备中的直接应用,特别是对于独立的电力系统,如大规模离网风力发电,原方案繁琐且不经济。有必要配备一台功能与交流隔离榴莲视频色版类似的直流榴莲视频色版,将高压DC转换为满足电气设备要求的隔离低压DC。

榴莲视频色版的工作原理是电磁感应原理。榴莲视频色版有两组接线端子。初级线圈和次级线圈。次级线圈在初级线圈之外。当初级线圈用交流电通电时,榴莲视频色版芯7产生交变磁场,次级线圈产生感应电动势。榴莲视频色版线圈的匝数比等于电压比。例如,初级线圈有500匝,次级线圈有250匝。一次电压为220伏交流电,二次电压为110伏

直流榴莲视频色版的正ji和负ji很容易区分。正符号是“;负面符号是"",没有符号是由颜色区分的,红色是正面和明亮的。蓝色是负ji,一些负ji是黄色的。

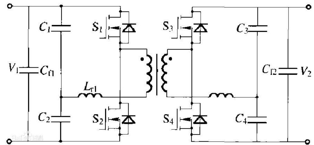
下图为直流榴莲视频色版的基本电路结构,其中Lr为榴莲视频色版漏感(或少量串联电感),一次高频逆变电路可以是推挽式、半桥, 全桥,推挽式、双管正激式、有源接地正激式、谐振复位正激式和不对称半桥式。如图所示,二次整流滤波电路可以是半波整流, 全波整流, 全桥整流器和无输出滤波电感的推挽正激整流电路,整流二ji管可以用同步整流器代替,以减少导通状态损耗。通过用双向开关管代替次级整流二ji管,可以形成双向直流榴莲视频色版。右侧显示了双向半桥直流榴莲视频色版的电路结构。包括反激式、双管反激式和正负反激式以及双管正负反激式电路。由于榴莲视频色版起着电感和榴莲视频色版的双重作用,榴莲视频色版需要储存nengliang,因此不适合作为直流榴莲视频色版使用。满足理想直流榴莲视频色版基本要求的电路结构可描述如下(1)Lr应尽可能小。Lr越小,线电压降越小,直流榴莲视频色版的输入输出比例关系越大。
(2)直流榴莲视频色版不包含大型储能元件。系统的小储能元件是确保带宽的条件,这要求系统的占空比尽可能接近1,并且系统的滤波元件要小。
(3)实现零电压切换。零电压开关的实现有助于提高转换效率,漏感Lr越大,开关管零电压越容易导通。开关管的并联电容有利于开关管的零电压关断,但也使零电压开关的接通变得困难。

直流榴莲视频色版的基本电路结构

直流榴莲视频色版的二次整流滤波电路

双向半桥直流榴莲视频色版
推荐榴莲视频APP成人
- 榴莲视频APP下载IOS电气祝大家蛇年快乐2024-12-31
- 榴莲视频APP下载IOS电气携全体员工庆祖国母亲75周年诞辰2024-09-29
- 炎炎夏日送清凉,丝丝关爱沁心脾2024-07-23
- 榴莲视频APP下载IOS电气开展“安全生产月”专题培训2024-07-15
- 脉冲榴莲视频色版有哪些特点2024-05-23
- 干式榴莲视频色版和油浸式榴莲视频色版有什么区别2024-05-23
